Система охлаждения охлаждения т 2

Система охлаждения фольксваген 1. Система охлаждения двигателя т4 2. 9 дизель. Схема система охлаждения т4 фольксваген 1. Система охлаждения фольксваген т4 2.
Система охлаждения фольксваген 1. Система охлаждения двигателя т4 2. 9 дизель. Схема система охлаждения т4 фольксваген 1. Система охлаждения фольксваген т4 2.
Система охлаждения двигателя vw caac tdi 2. Система охлаждения двигателя фольксваген т5 1. 5 дизель. Схема системы охлаждения vw т5. Система охлаждения volkswagen sharan.
Система охлаждения двигателя vw caac tdi 2. Система охлаждения двигателя фольксваген т5 1. 5 дизель. Схема системы охлаждения vw т5. Система охлаждения volkswagen sharan.
Схема охлаждения фольксваген транспортер т5 дизель. 9 схема. Схема системы охлаждения фольксваген т4 1. 0 дизель. 4 дизель.
Схема охлаждения фольксваген транспортер т5 дизель. 9 схема. Схема системы охлаждения фольксваген т4 1. 0 дизель. 4 дизель.
Система охлаждения фольксваген 1. Система охлаждения фольксваген т4 2. 4 дизель ааб. 9 дизель. Vw t4 acv схема системы охлаждения.
Система охлаждения фольксваген 1. Система охлаждения фольксваген т4 2. 4 дизель ааб. 9 дизель. Vw t4 acv схема системы охлаждения.
9 дизель. Система охлаждения охлаждения т 2. 9 дизель. Система охлаждения двигателя тигуан дизель 2. Система охлаждения двигателя тигуан дизель 2.
9 дизель. Система охлаждения охлаждения т 2. 9 дизель. Система охлаждения двигателя тигуан дизель 2. Система охлаждения двигателя тигуан дизель 2.
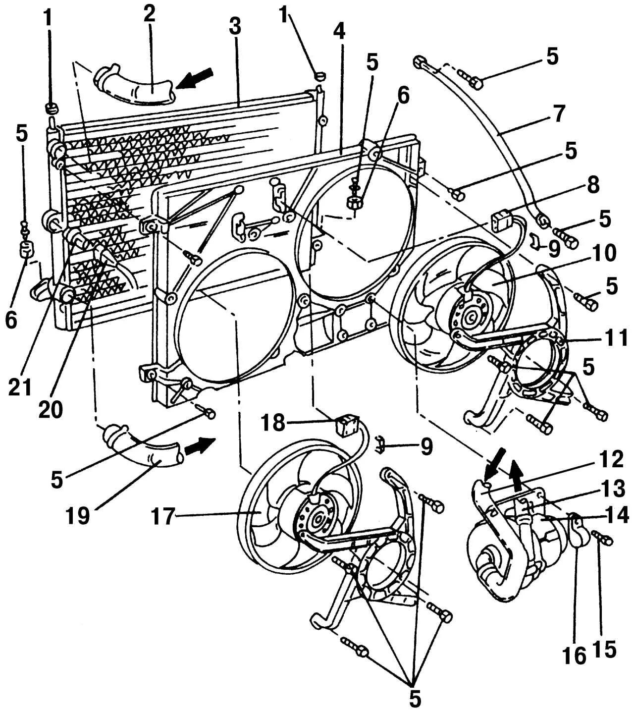
Циркуляция охлаждающей жидкости кайрон дизель. 9. Крепление радиатора фольксваген т4. Фольксваген шаран система охлаждения двигателя. Система охлаждения двигателя фольксваген тигуан 2.
Циркуляция охлаждающей жидкости кайрон дизель. 9. Крепление радиатора фольксваген т4. Фольксваген шаран система охлаждения двигателя. Система охлаждения двигателя фольксваген тигуан 2.
Система охлаждения охлаждения т 2. 9 дизель система охлаждения. Система охлаждения охлаждения т 2. Система охлаждения фольксваген т4 2. Система охлаждения двигателя фольксваген крафтер 2.
Система охлаждения охлаждения т 2. 9 дизель система охлаждения. Система охлаждения охлаждения т 2. Система охлаждения фольксваген т4 2. Система охлаждения двигателя фольксваген крафтер 2.
Система охлаждения охлаждения т 2. 0 система охлаждения. Система охлаждения двигателя фольксваген т5. Система охлаждения фольксваген т5 дизель транспортер. Систему охлаждения двигателя 1 и 9 на транспортер т 4.
Система охлаждения охлаждения т 2. 0 система охлаждения. Система охлаждения двигателя фольксваген т5. Система охлаждения фольксваген т5 дизель транспортер. Систему охлаждения двигателя 1 и 9 на транспортер т 4.
Система охлаждения двигателя vw transporter t4 aab. Система охлаждения охлаждения т 2. Фольксваген т5 1. Vw t4 2. Система охлаждения охлаждения т 2.
Система охлаждения двигателя vw transporter t4 aab. Система охлаждения охлаждения т 2. Фольксваген т5 1. Vw t4 2. Система охлаждения охлаждения т 2.
Фольксваген транспортер т4 система охлаждения. Система охлаждения фольксваген т4 2. Система охлаждения двигателя фольксваген т5 1. 4 дизель. 9.
Фольксваген транспортер т4 система охлаждения. Система охлаждения фольксваген т4 2. Система охлаждения двигателя фольксваген т5 1. 4 дизель. 9.
Система охлаждения двигателя vw t4. Система охлаждения двигателя фольксваген т4 2. 5 tdi патрубки системы охлаждения. Система охлаждения vw tdi 2. Система охлаждения охлаждения т 2.
Система охлаждения двигателя vw t4. Система охлаждения двигателя фольксваген т4 2. 5 tdi патрубки системы охлаждения. Система охлаждения vw tdi 2. Система охлаждения охлаждения т 2.
Система охлаждения т34 схема. Система охлаждения охлаждения т 2. Схема система охлаждения двигателя axd 2. Рукав 46-60-392-06сб. Фольксваген т5 система охлаждения.
Система охлаждения т34 схема. Система охлаждения охлаждения т 2. Схема система охлаждения двигателя axd 2. Рукав 46-60-392-06сб. Фольксваген т5 система охлаждения.
9 дизель. 5 дизель. Система охлаждения фольксваген т5 1. Схема циркуляции охлаждающей жидкости 4g63. Vw t4 2.
9 дизель. 5 дизель. Система охлаждения фольксваген т5 1. Схема циркуляции охлаждающей жидкости 4g63. Vw t4 2.
4 дизель. Схема циркуляции охлаждающей жидкости 2. Система охлаждения охлаждения т 2. Система охлаждения фольксваген т4 2. 9 дизель.
4 дизель. Схема циркуляции охлаждающей жидкости 2. Система охлаждения охлаждения т 2. Система охлаждения фольксваген т4 2. 9 дизель.
Система охлаждения охлаждения т 2. Фольксваген т5 2. Система охлаждения охлаждения т 2. Система охлаждения фольксваген т4 2. Система охлаждения фольксваген т4 2.
Система охлаждения охлаждения т 2. Фольксваген т5 2. Система охлаждения охлаждения т 2. Система охлаждения фольксваген т4 2. Система охлаждения фольксваген т4 2.
0 дизель. 4 дизель. Система охлаждения на фольксваген т4 1. 0 дизель. Схема движения охлаждения двигателя фольксваген двигатель 1,9.
0 дизель. 4 дизель. Система охлаждения на фольксваген т4 1. 0 дизель. Схема движения охлаждения двигателя фольксваген двигатель 1,9.
Система охлаждения охлаждения т 2. 5 дизель. Система охлаждения фольксваген т5 2. Система охлаждения охлаждения т 2. Система охлаждения т-72.
Система охлаждения охлаждения т 2. 5 дизель. Система охлаждения фольксваген т5 2. Система охлаждения охлаждения т 2. Система охлаждения т-72.
Система охлаждения двигателя фольксваген т5. 5 дизель. 4 система охлаждения. Схема системы охлаждения vw t5. Система охлаждения двигателя vw t4.
Система охлаждения двигателя фольксваген т5. 5 дизель. 4 система охлаждения. Схема системы охлаждения vw t5. Система охлаждения двигателя vw t4.
4 дизель. Система охлаждения двигателя vw t4. Патрубки системы охлаждения фольксваген т5 дизель axd. Система охлаждения caac wv t5. Система охлаждения двигателя фольксваген т2.
4 дизель. Система охлаждения двигателя vw t4. Патрубки системы охлаждения фольксваген т5 дизель axd. Система охлаждения caac wv t5. Система охлаждения двигателя фольксваген т2.
Система охлаждения охлаждения т 2. Система охлаждения охлаждения т 2. 4 дизель. Система охлаждения фольксваген транспортер т5 1. Т5 система охлаждения схема.
Система охлаждения охлаждения т 2. Система охлаждения охлаждения т 2. 4 дизель. Система охлаждения фольксваген транспортер т5 1. Т5 система охлаждения схема.