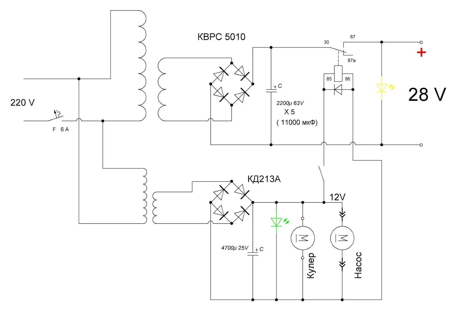
Схема индукционных своими руками схема

Схема тиристорной индукционной печи. Схема индукционных своими руками схема. Индукционный нагреватель 220 вольт схема. Принципиальная схема индукционного нагревателя. Схема простой индукционного нагревателя.
Схема тиристорной индукционной печи. Схема индукционных своими руками схема. Индукционный нагреватель 220 вольт схема. Принципиальная схема индукционного нагревателя. Схема простой индукционного нагревателя.
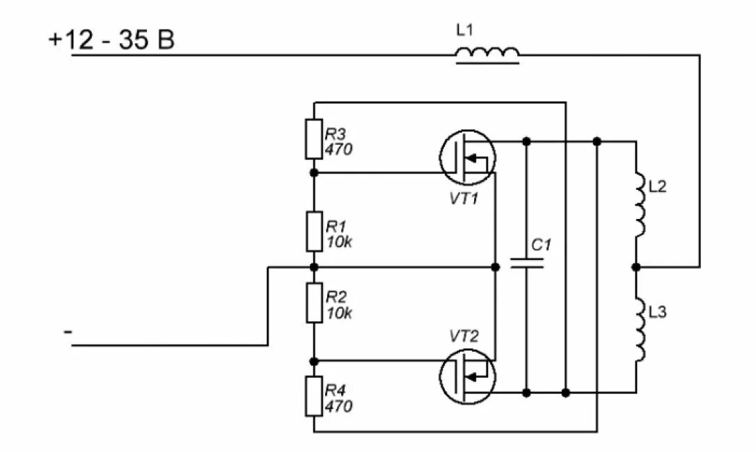
Схема индукционной печи микроша 3000. Схема индукционной печи на полевых транзисторах. Схемы индукционных нагревателей на 2000вт. Схема простой индукционного нагревателя. Схема индуктора для нагрева металла.
Схема индукционной печи микроша 3000. Схема индукционной печи на полевых транзисторах. Схемы индукционных нагревателей на 2000вт. Схема простой индукционного нагревателя. Схема индуктора для нагрева металла.
Индукционный нагреватель из сварочного инвертора схема. Схема индукционного нагревателя zvs. Индукционный нагреватель металла схема 3квт. Схема индукционных своими руками схема. Схема электрическая принципиальная индукционного нагревателя.
Индукционный нагреватель из сварочного инвертора схема. Схема индукционного нагревателя zvs. Индукционный нагреватель металла схема 3квт. Схема индукционных своими руками схема. Схема электрическая принципиальная индукционного нагревателя.
Схема индукционная нагреватель 12 вольт. Переделка сварочного инвертора в индукционный нагреватель схема. Схема индукционных своими руками схема. Схемы индукционных нагревателей на 2000вт. Индукционная печь для плавки металла схема на транзисторах.
Схема индукционная нагреватель 12 вольт. Переделка сварочного инвертора в индукционный нагреватель схема. Схема индукционных своими руками схема. Схемы индукционных нагревателей на 2000вт. Индукционная печь для плавки металла схема на транзисторах.
Схема индуктора для нагрева металла. Однотактный индукционный нагреватель схема. Генератор для индукционного нагрева схема. Схемы индукционных нагревателей на 2000вт. Индукционная твч печь схема.
Схема индуктора для нагрева металла. Однотактный индукционный нагреватель схема. Генератор для индукционного нагрева схема. Схемы индукционных нагревателей на 2000вт. Индукционная твч печь схема.
Индукционный нагреватель из сварочного инвертора схема. Индукционный нагреватель схема 1квт. Схема индукционных своими руками схема. Схема индукционных своими руками схема. Индукционный нагреватель схема 5 квт.
Индукционный нагреватель из сварочного инвертора схема. Индукционный нагреватель схема 1квт. Схема индукционных своими руками схема. Схема индукционных своими руками схема. Индукционный нагреватель схема 5 квт.
Ламповый индукционный нагреватель схема. Индукционный нагрев металла схема. Индукционный нагреватель металла схема 3квт. Схема индукционных своими руками схема. Индукционный нагреватель схема проточного водонагревателя.
Ламповый индукционный нагреватель схема. Индукционный нагрев металла схема. Индукционный нагреватель металла схема 3квт. Схема индукционных своими руками схема. Индукционный нагреватель схема проточного водонагревателя.
Переделка сварочного инвертора в индукционный нагреватель схема. Схемы индукционных нагревателей на 2000вт. Схема простой индукционного нагревателя. Схема индукционных своими руками схема. Схема индукционных своими руками схема.
Переделка сварочного инвертора в индукционный нагреватель схема. Схемы индукционных нагревателей на 2000вт. Схема простой индукционного нагревателя. Схема индукционных своими руками схема. Схема индукционных своими руками схема.
Схема индукционных своими руками схема. Схемы индукционных нагревателей на 2000вт. Микроша 2000 индукционный нагреватель схема. Схема индукционного нагревателя на irfz44. Индукционная твч печь схема.
Схема индукционных своими руками схема. Схемы индукционных нагревателей на 2000вт. Микроша 2000 индукционный нагреватель схема. Схема индукционного нагревателя на irfz44. Индукционная твч печь схема.
Схема индукционных своими руками схема. Схема индукционных своими руками схема. Схема индукционных своими руками схема. Принципиальная схема индукционного нагревателя. Индукционный нагрев металла схема.
Схема индукционных своими руками схема. Схема индукционных своими руками схема. Схема индукционных своими руками схема. Принципиальная схема индукционного нагревателя. Индукционный нагрев металла схема.
Индукционный нагреватель схема 5 квт. Индукционный нагреватель из сварочного инвертора схема. Схема индукционных своими руками схема. Микроша 2000 индукционный нагреватель схема. Индукционный нагреватель 220 вольт схема.
Индукционный нагреватель схема 5 квт. Индукционный нагреватель из сварочного инвертора схема. Схема индукционных своими руками схема. Микроша 2000 индукционный нагреватель схема. Индукционный нагреватель 220 вольт схема.
Принципиальная схема индукционного нагревателя. Схема индукционных своими руками схема. Индукционная катушка для нагрева металла схема. Индукционный нагреватель микроша 2000 схема принципиальная. Схемы индукционных нагревателей на 2000вт.
Принципиальная схема индукционного нагревателя. Схема индукционных своими руками схема. Индукционная катушка для нагрева металла схема. Индукционный нагреватель микроша 2000 схема принципиальная. Схемы индукционных нагревателей на 2000вт.
Индукционный нагрев металла схема. Генератор для индукционного нагрева схема. Irfp460 индукционный нагреватель. Схема индукционных своими руками схема. Ламповый индукционный нагреватель схема.
Индукционный нагрев металла схема. Генератор для индукционного нагрева схема. Irfp460 индукционный нагреватель. Схема индукционных своими руками схема. Ламповый индукционный нагреватель схема.
Индукционный нагрев металла схема. Схема мощного индукционного нагревателя. Схема индукционной сварки 220в. Индукционный нагреватель схема 5 квт. Схема мощного индукционного нагревателя.
Индукционный нагрев металла схема. Схема мощного индукционного нагревателя. Схема индукционной сварки 220в. Индукционный нагреватель схема 5 квт. Схема мощного индукционного нагревателя.
Схема индукционных своими руками схема. Схема индукционных своими руками схема. Индукционный нагреватель металла схема 3квт. Мощный индукционный нагреватель схема принципиальная. Схема индукционных своими руками схема.
Схема индукционных своими руками схема. Схема индукционных своими руками схема. Индукционный нагреватель металла схема 3квт. Мощный индукционный нагреватель схема принципиальная. Схема индукционных своими руками схема.
Переделка сварочного инвертора в индукционный нагреватель схема. Индукционный нагрев металла схема. Индукционный нагреватель 1000вт своими руками. Схема индукционных своими руками схема. Индукционный нагреватель из сварочного инвертора схема.
Переделка сварочного инвертора в индукционный нагреватель схема. Индукционный нагрев металла схема. Индукционный нагреватель 1000вт своими руками. Схема индукционных своими руками схема. Индукционный нагреватель из сварочного инвертора схема.
Индукционный нагрев металла схема. Схема zvs индукционного нагрева. Индукционный нагреватель 2 квт своими руками. Индукционный нагреватель схема 3квт. Принципиальная схема индукционного нагревателя.
Индукционный нагрев металла схема. Схема zvs индукционного нагрева. Индукционный нагреватель 2 квт своими руками. Индукционный нагреватель схема 3квт. Принципиальная схема индукционного нагревателя.
Индукционный водонагреватель схема. Индукционный нагрев металлов твч схема. Индукционный нагреватель металла принципиальная схема. Индукционный котел схема электрическая принципиальная. Индукционный нагреватель 220 вольт схема.
Индукционный водонагреватель схема. Индукционный нагрев металлов твч схема. Индукционный нагреватель металла принципиальная схема. Индукционный котел схема электрическая принципиальная. Индукционный нагреватель 220 вольт схема.
Индукционный нагреватель схема 5 квт. Схема индуктора для нагрева металла. Схема индукционных своими руками схема. Индукционный нагреватель 220 вольт схема. Индукционный нагреватель воды на 220 схема.
Индукционный нагреватель схема 5 квт. Схема индуктора для нагрева металла. Схема индукционных своими руками схема. Индукционный нагреватель 220 вольт схема. Индукционный нагреватель воды на 220 схема.
Индукционный нагреватель схема 12 квт. Индукционный нагреватель 6 квт схема. Схема тиристорной индукционной печи. Индукционный нагреватель 220 вольт схема. Индукционный нагреватель схема 1квт.
Индукционный нагреватель схема 12 квт. Индукционный нагреватель 6 квт схема. Схема тиристорной индукционной печи. Индукционный нагреватель 220 вольт схема. Индукционный нагреватель схема 1квт.