Посчитать траншею

Как посчитать площадь откоса котлована. Траншея т3. Откосы траншеи 1 1. Формула расчета объема траншеи. Формула расчета котлована с откосами.
Как посчитать площадь откоса котлована. Траншея т3. Откосы траншеи 1 1. Формула расчета объема траншеи. Формула расчета котлована с откосами.
Формулы подсчета объемов земляных работ. Как посчитать объем грунта котлована с откосами. Площадь сечения траншеи формула. Как посчитать объём катлована. Формула расчета выемки грунта котлована.
Формулы подсчета объемов земляных работ. Как посчитать объем грунта котлована с откосами. Площадь сечения траншеи формула. Как посчитать объём катлована. Формула расчета выемки грунта котлована.
Формула подсчета котлована с откосами. Расчет земляные работы расчет котлована. Как рассчитать объем земляных работ. Формула расчета котлована. Посчитать траншею.
Формула подсчета котлована с откосами. Расчет земляные работы расчет котлована. Как рассчитать объем земляных работ. Формула расчета котлована. Посчитать траншею.
Как рассчитать откос траншеи формула. Объем грунта в траншее с откосами. Формула для подсчета объема грунта при устройстве котлована. Расчет объема котлованакотлована. Посчитать траншею.
Как рассчитать откос траншеи формула. Объем грунта в траншее с откосами. Формула для подсчета объема грунта при устройстве котлована. Расчет объема котлованакотлована. Посчитать траншею.
Расчет земляных работ траншея. Формулы подсчета объемов земляных работ. Формула расчета котлована. Заложение откоса котлована. Посчитать траншею.
Расчет земляных работ траншея. Формулы подсчета объемов земляных работ. Формула расчета котлована. Заложение откоса котлована. Посчитать траншею.
Посчитать траншею. Коэффициент заложения откоса котлована. Траншеи для трубопроводов откосы. Прокладка кабеля в траншее т2. Посчитать траншею.
Посчитать траншею. Коэффициент заложения откоса котлована. Траншеи для трубопроводов откосы. Прокладка кабеля в траншее т2. Посчитать траншею.
Расчет объема выемки грунта котлована. Формула подсчета котлована с откосами. Подсчет котлована с откосами. Площадь сечения траншеи формула. Расчетная схема котлована.
Расчет объема выемки грунта котлована. Формула подсчета котлована с откосами. Подсчет котлована с откосами. Площадь сечения траншеи формула. Расчетная схема котлована.
Посчитать траншею. Формула расчета траншеи с откосами. Формула расчета выемки грунта котлована. Сечение траншеи т1. Посчитать траншею.
Посчитать траншею. Формула расчета траншеи с откосами. Формула расчета выемки грунта котлована. Сечение траншеи т1. Посчитать траншею.
Подсчет объема земляных работ при устройстве котлована. Формула расчета котлована с откосами. Как посчитать размер котлована. Посчитать траншею. Формула расчета котлована.
Подсчет объема земляных работ при устройстве котлована. Формула расчета котлована с откосами. Как посчитать размер котлована. Посчитать траншею. Формула расчета котлована.
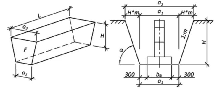
Формула расчета траншеи с откосами. Откосы траншеи. Геометрическая схема котлована и траншеи. Траншея с откосами, с перепадом высот (расчет по размеру а2) формула. Объем траншеи с откосами формула.
Формула расчета траншеи с откосами. Откосы траншеи. Геометрическая схема котлована и траншеи. Траншея с откосами, с перепадом высот (расчет по размеру а2) формула. Объем траншеи с откосами формула.
Как считается ширина откоса траншеи. Формула расчета котлована с откосами. Формула расчета объема котлована с откосами. Траншея с откосами, с перепадом высот. Формула расчета котлована с откосами.
Как считается ширина откоса траншеи. Формула расчета котлована с откосами. Формула расчета объема котлована с откосами. Траншея с откосами, с перепадом высот. Формула расчета котлована с откосами.
Формула выемки грунта котлована с откосами. Посчитать траншею. Формуле для подсчета объема траншеи. Посчитать объем котлована с откосами формула. Посчитать траншею.
Формула выемки грунта котлована с откосами. Посчитать траншею. Формуле для подсчета объема траншеи. Посчитать объем котлована с откосами формула. Посчитать траншею.
5. Формула расчета выемки грунта котлована. Земляные работы подсчет объемов земляных работ смета. Посчитать траншею. Подсчет объемов земляных работ траншеи.
5. Формула расчета выемки грунта котлована. Земляные работы подсчет объемов земляных работ смета. Посчитать траншею. Подсчет объемов земляных работ траншеи.
Калькулятор объема земляных работ котлована. Расчетная схема котлована. Схема для определения объема траншеи. Как посчитать откос котлована. Схема разработки котлована с откосами.
Калькулятор объема земляных работ котлована. Расчетная схема котлована. Схема для определения объема траншеи. Как посчитать откос котлована. Схема разработки котлована с откосами.
Формула траншеи с откосами. Как посчитать объем вынутого грунта. Посчитать траншею. Посчитать траншею. Как рассчитать откос котлована.
Формула траншеи с откосами. Как посчитать объем вынутого грунта. Посчитать траншею. Посчитать траншею. Как рассчитать откос котлована.
Посчитать траншею. Формула вычисления объема котлована. Как рассчитать ширину верха траншеи. Траншея т-1. Посчитать траншею.
Посчитать траншею. Формула вычисления объема котлована. Как рассчитать ширину верха траншеи. Траншея т-1. Посчитать траншею.
Посчитать траншею. Рассчитать объем котлована с откосами формула. Формула подсчета котлована с откосами. Подсчет объема выемки грунта в траншеи. Посчитать траншею.
Посчитать траншею. Рассчитать объем котлована с откосами формула. Формула подсчета котлована с откосами. Подсчет объема выемки грунта в траншеи. Посчитать траншею.
Посчитать траншею. Формула подсчета разработки котлована. Формула расчета траншеи с откосами. Формула расчета котлована с откосами. Как посчитать объем грунта котлована с откосами.
Посчитать траншею. Формула подсчета разработки котлована. Формула расчета траншеи с откосами. Формула расчета котлована с откосами. Как посчитать объем грунта котлована с откосами.
Калькулятор объема земляных работ котлована. Посчитать траншею. Формуле для подсчета объема траншеи. Рассчитать объем котлована с откосами формула. Посчитать траншею.
Калькулятор объема земляных работ котлована. Посчитать траншею. Формуле для подсчета объема траншеи. Рассчитать объем котлована с откосами формула. Посчитать траншею.
Объем траншеи формула без откосов. Формула расчета выемки грунта котлована. Посчитать траншею. Формуле для подсчета объема траншеи. Формула расчета выемки грунта котлована.
Объем траншеи формула без откосов. Формула расчета выемки грунта котлована. Посчитать траншею. Формуле для подсчета объема траншеи. Формула расчета выемки грунта котлована.